华耐机器人源头厂家
业务咨询:
91视频播放器
91视频播放器1510
发布时间:2020-10-16阅读数:2302
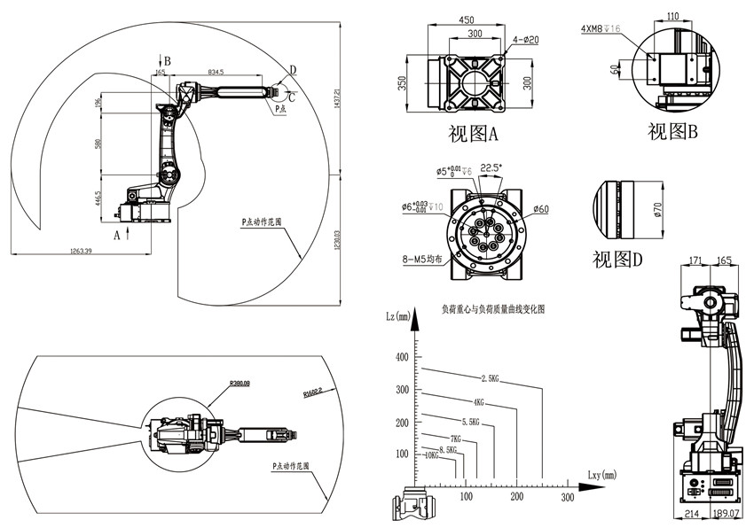
◇实心小臂,双支撑结构,纤细狭长,刚性强,负载能力大。 ◇4、5、6关节采用谐波减速机,精度高。 ◇适用于氩弧焊、等离子切割、激光焊、激光切割、搬运、码垛、机床上下料、抛光打磨。
上一篇: 多用途机器人JHY-1916
下一篇: 91视频污下载网站
华耐机器人
电话:0311-80815335
业务咨询:13932182008
工厂地址:河北省石家庄市栾城区电机路奥翔街6号
办公地址:河北省石家庄市长安万达写字楼B座718 719室
网站版权所有©91视频播放器厂家-变位机-工业机器人-华耐机器人 丨 网站备案号: 冀ICP备32332103号-1 冀公网安备 13019902000669号 技术支持:七星网络